





A redução de acessórios para tee é um componente essencial nos sistemas de encanamento, oferecendo uma solução perfeita para desviar o fluxo de água ou fluidos de tubos maiores para os menores. Esses acessórios apresentam aberturas de tamanhos diferentes, com a entrada central com um diâmetro maior que as duas tomadas laterais.
Uma das principais vantagens de reduzir os acessórios de tee é a versatilidade deles. Eles encontram aplicações em vários setores e sistemas, incluindo sistemas de bombeamento, sistemas de alta pureza e linhas de entrega. Seja direcionando o suprimento de água em edifícios residenciais ou facilitando a drenagem eficiente em estabelecimentos comerciais, a redução de camisetas desempenha um papel crucial.
Nos sistemas de bombeamento, a redução de acessórios de camiseta garante caminhos de fluxo suaves sem turbulência ou aprisionamentos. Isso ajuda a manter o desempenho, minimizando quedas de pressão e impedindo quaisquer interrupções que possam afetar a eficiência geral do sistema. Além disso, esses acessórios são projetados para lidar com diferentes tipos de fluidos, como resíduos, abastecimento de água, gás e petróleo.
O material de construção usado para reduzir os acessórios TEE varia dependendo de requisitos específicos. As opções comuns incluem aço inoxidável para suas propriedades de resistência à corrosão e durabilidade ou PVC (cloreto de polivinil) por sua acessibilidade e facilidade de instalação.
Quando se trata de instalação, os profissionais selecionam cuidadosamente tamanhos apropriados com base nas dimensões do tubo para garantir a compatibilidade e maximizar a funcionalidade. As camisetas redutoras adequadamente instaladas fornecem conexões confiáveis que minimizam vazamentos, mantendo o fluxo de fluido consistente em todo o sistema.
No geral, a redução de acessórios para tee oferece uma solução eficaz para redirecionar fluxos de fluidos nas redes de encanamento. Sua capacidade de acomodar tamanhos variados de tubos os torna componentes indispensáveis em vários setores onde o gerenciamento eficiente do fluido é fundamental.
Introdução
| Reduzindo a camiseta | |
| Item | Camiseta de redução de aço inoxidável |
| Padrão | ASTM A312, ANSI B16.9, EN, GB, DIN, GOST, JIS304/304, etc. |
| Material | 304 316 304L 321 2205 2520 904L/personalizado |
| Superfície | Galvanizado a quente, galvanizado eletrolítico, acabado natural, preto químico, banhado de zinco, etc |
| Tipo | Forjado |
| tamanho | DN600-700, tamanho personalizado |
| Prazo de entrega | Dentro de 5 a 30 dias após receber o pré-pago |
| Embalagem | Cada peça é embrulhada com filme de plástico e depois embalado com um palete de madeira ou caixa de madeira. |
| Aplicativo | Oleodutos de fluido de baixa e média pressão, caldeiras, indústria de petróleo e gás natural, perfuração, indústria química, indústria elétrica, construção naval, equipamentos e oleodutos de fertilizantes, estrutura, petroquímica, indústria farmacêutica, etc |
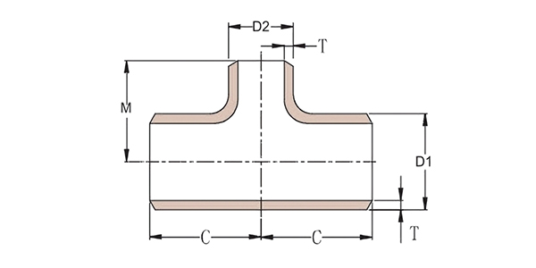
| Diâmetro nominal | Diâmetro externo | Centro até terminar | |||
| Dn | NPS | D1 | D2 | C | M |
| 600 × 600 × 450 | 24 × 24 × 18 | 630 | 480 | 432 | 419 |
| 600 × 600 × 400 | 24 × 24 × 16 | 630 | 426 | 432 | 406 |
| 600 × 600 × 350 | 24 × 24 × 14 | 630 | 377 | 432 | 406 |
| 600 × 600 × 300 | 24 × 24 × 12 | 630 | 325 | 432 | 397 |
| 600 × 600 × 250 | 24 × 24 × 10 | 630 | 273 | 432 | 384 |
| 700 × 700 × 600 | 28 × 28 × 24 | 720 | 630 | 521 | 508 |
| 700 × 700 × 500 | 28 × 28 × 20 | 720 | 529 | 521 | 483 |
| 700 × 700 × 450 | 28 × 28 × 18 | 720 | 478 | 521 | 470 |
| 700 × 700 × 400 | 28 × 28 × 16 | 720 | 426 | 521 | 457 |
| 700 × 700 × 350 | 28 × 28 × 14 | 720 | 377 | 521 | 457 |
| 700 × 700 × 300 | 28 × 28 × 12 | 720 | 325 | 521 | 448 |
Composição química
| Nota | C ≤ | Si ≤ | Mn ≤ | P ≤ | S ≤ | Ni ≤ | Cr ≤ |
| 201 | 0.12 | 0.75 | 7 | 0.045 | 0.045 | 1.00-1.28 | 13.70-15.70 |
| 202 | 0.15 | 1 | 2.25 | 0.045 | 0.045 | 4.07-4.17 | 14.00-16.00 |
| 304 | 0.08 | 0.75 | 2 | 0.045 | 0.03 | 8.00-11.00 | 18.00-20.00 |
| 304L | 0.035 | 0.75 | 2 | 0.045 | 0.03 | 8.00-13.00 | 18.00-20.00 |
| 309 | 0.15 | 0.75 | 2 | 0.045 | 0.03 | 12.00-15.00 | 22.00-24.00 |
| 310s | 0.08 | 1.5 | 2 | 0.045 | 0.03 | 19.00-22.00 | 24.00-26.00 |
| 316 | 0.08 | 1 | 2 | 0.045 | 0.03 | 10.00-14.00 | 16.00-18.00 |
| 316L | 0.035 | 0.75 | 2 | 0.045 | 0.03 | 10.00-15.00 | 16.00-18.00 |
| 321 | 0,04-0.10 | 0.75 | 2 | 0.045 | 0.03 | 9.00-13.00 | 17.00-20,00 |
| 405 | 0.08 | 0.75 | 1 | 0.045 | 0.03 | 0.06 | 11.5-13.5 |
| 409 | 0.089 | 1 | 1 | 0.045 | 0.05 | 0.06 | 10.50-11.75 |
| 410 | 0.15 | 0.75 | 1 | 0.045 | 0.03 | 0.06 | 11.5-13.5 |
| 420 | 0,16-0,25 | 1 | 1 | 0.04 | 0.03 | 0.06 | 12.00-14.00 |
| 430 | 0.12 | 0.75 | 1 | 0.045 | 0.03 | 0.06 | 16.00-18.00 |
| 904L | 0.02 | 1 | 2 | 0.045 | 0.03 | 23.00-28.00 | 19.00-23.00 |
Fundada em 2007 e mudou -se para a Zona de Desenvolvimento Econômico de Longy, a província de Zhejiang, em 2022. Ele cobre uma área de 130.000 metros quadrados, mais de 30 linhas de produção, 300 trabalhadores, 20 pessoas de P&D, 30 pessoas de inspeção e uma produção anual de 50.000 toneladas.
It has passed ISO9001:2008 quality management system, PED 97/23/EC EU Pressure Equipment Directive certification, China Special Equipment Manufacturing License (Pressure Tube) TS certification, ASME certification, provincial enterprise standardization management system, ISO14000:2004 environment management system, cleaner production (green enterprise), and a series of certifications, as well as China Classification Society (CCS), American Bureau of Shipping (ABS), British Register de remessa (LR), Deutsche Veritas (GL), Bureau Veritas Society (BV), Det Norske Veritas (DNV) e Certificação de fábrica de remessas coreanas (KR).
Os principais produtos incluem tubos de aço inoxidável, acessórios de tubos, flanges, válvulas etc., que são amplamente utilizados em petróleo, indústria química, indústria nuclear, fundição, construção naval, produtos farmacêuticos, alimentos, conservação de água, energia elétrica, energia nova, equipamentos mecânicos e outros campos. A empresa segue o princípio corporativo de "Qualidade para a sobrevivência, a reputação de desenvolvimento" e atende de todo o coração a todos os clientes para criar uma situação em que todos saem ganhando.





Densidade de massa do aço macio: princípios básicos e importância prática A densidade de massa do aço-carbono é uma propriedade fundamental que afeta diretamente a forma como os engenheiros e pr...
Veja maisIntrodução ao material de aço de baixa liga O material de aço de baixa liga é um tipo de aço que contém uma pequena porcentagem de elementos de liga, normalmente menos de 8%, além de carbono. Es...
Veja maisVisão geral — o que significa “peso por polegada cúbica” para aço inoxidável "Peso por polegada cúbica" é simplesmente a massa (em libras) de uma polegada cúbica de material. Para o aço inoxidáv...
Veja maisNunca compartilharemos seu endereço de e -mail e você
Pode optar por não participar a qualquer momento, prometemos.