





Uma cruz é um tipo de encaixe de tubo que possui quatro aberturas em uma conexão. O acessório parece uma cruz e conecta quatro tubos diferentes em um ponto. Geralmente, possui soquetes solventes ou extremidades femininas.
O ajuste cruzado igual é um cruzamento com todas as quatro aberturas de ter o mesmo diâmetro e conectar -se a quatro tubos do mesmo diâmetro.
Cruzes Os acessórios de tubo são usados para conectar tubos e alterar ou controlar o fluxo através de um sistema de tubulação. Suas dimensões desempenham um papel importante na decisão da força e da estabilidade. Quando os mesmos tubos são conectados e os fluidos fluem de uma direção, ele será dividido em três direções. O encaixe cruzado estará sujeito a grandes problemas de pressão quando os fluxos fluidos em três direções e deverão sair em uma direção.
Os acessórios para tubos cruzados podem estressar os tubos à medida que as temperaturas mudam devido à sua natureza de quatro vias. Portanto, os tubos cruzados geralmente não são usados como componentes hidráulicos de pipeline. Por outro lado, onde a expansão térmica não é um problema, os ajustes cruzados são mais vantajosos.
Introdução
| Cruz igual | |
| Item | Aço inoxidável Cruz igual |
| Padrão | ASME: ANSI B16.9, ANSI B16.28, MSS-SP-43 EN: EN10253-1, EN10253-2 DIN: DIN2605, DIN2615, DIN2616, DIN2617, DIN28011 ASME B16.25- BUMP ENDAS ASME B16.28- Os cotovelos do raio curto de aço forjado e retornos de soldagem de bunda MSS SP-43 Fabricated e Witcht Butting Achas para aplicações resistentes à corrosão e de baixa pressão Especificação ASTM A403-ASME SA403 para acessórios de aço inoxidável austenítico forjado ASME B16.9 Soldagem de bunda |
| Material | Aço inoxidável, aço de liga, duplex, ligas de níquel, aço de baixa temperatura, aço carbono, etc. |
| Superfície | Recozido e em conserva, galvanização a quente, electro polonês, óleo transparente, pratos de zinco, tinta preta, verniz |
| Tipo | Empurre, pressione, forja, elenco, etc. |
| tamanho | ½ "-48" |
| Prazo de entrega | Dentro de 5 a 30 dias após receber o pré-pago |
| Embalagem | Palé de caixa embrulhado em encolhimento ou em casca de madeira em autoria de maré |
| Aplicativo | Acessórios para conectar tubos e tubos em petróleo, potência, química, construção, gás, metalurgia, construção naval etc. |
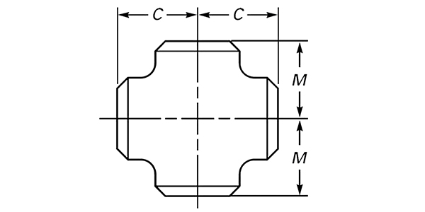
| Tamanho nominal do tubo | Tamanho nominal do tubo | Centro até terminar (em.) | |
| NPS | (in.) | Correr, c | Saída, m |
| ½ | 0.84 | 1.00 | 1.00 |
| ¾ | 1.05 | 1.12 | 1.12 |
| 1 | 1.32 | 1.50 | 1.50 |
| 1¼ | 1.66 | 1.88 | 1.88 |
| 1½ | 1.90 | 2.25 | 2.25 |
| 2 | 2.38 | 2.50 | 2.50 |
| 2½ | 2.88 | 3.00 | 3.00 |
| 3 | 3.50 | 3.38 | 3.38 |
| 3½ | 4.00 | 3.75 | 3.75 |
| 4 | 4.50 | 4.12 | 4.12 |
| 5 | 5.56 | 4.88 | 4.88 |
| 6 | 6.62 | 5.62 | 5.62 |
| 8 | 8.62 | 7.00 | 7.00 |
| 10 | 10.75 | 8.50 | 8.50 |
| 12 | 12.75 | 10.00 | 10.00 |
| 14 | 14.00 | 11.00 | 11.00 |
| 16 | 16.00 | 12.00 | 12.00 |
| 18 | 18.00 | 13.50 | 13.50 |
| 20 | 20.00 | 15.00 | 15.00 |
| 22 | 22.00 | 16.50 | 16.50 |
| 24 | 24.00 | 17.00 | 17.00 |
| 26 | 26.00 | 19.50 | 19.50 |
| 28 | 28.00 | 20.50 | 20.50 |
| 30 | 30.00 | 22.00 | 22.00 |
| 32 | 32.00 | 23.50 | 23.50 |
| 34 | 34.00 | 25.00 | 25.00 |
| 36 | 36.00 | 26.50 | 26.50 |
| 38 | 38.00 | 28.00 | 28.00 |
| 40 | 40.00 | 29.50 | 29.50 |
| 42 | 42.00 | 30.00 | 28.00 |
| 44 | 44.00 | 32.00 | 30.00 |
| 46 | 46.00 | 33.50 | 31.50 |
| 48 | 48.00 | 35.00 | 33.00 |
Fundada em 2007 e mudou -se para a Zona de Desenvolvimento Econômico de Longy, a província de Zhejiang, em 2022. Ele cobre uma área de 130.000 metros quadrados, mais de 30 linhas de produção, 300 trabalhadores, 20 pessoas de P&D, 30 pessoas de inspeção e uma produção anual de 50.000 toneladas.
It has passed ISO9001:2008 quality management system, PED 97/23/EC EU Pressure Equipment Directive certification, China Special Equipment Manufacturing License (Pressure Tube) TS certification, ASME certification, provincial enterprise standardization management system, ISO14000:2004 environment management system, cleaner production (green enterprise), and a series of certifications, as well as China Classification Society (CCS), American Bureau of Shipping (ABS), British Register de remessa (LR), Deutsche Veritas (GL), Bureau Veritas Society (BV), Det Norske Veritas (DNV) e Certificação de fábrica de remessas coreanas (KR).
Os principais produtos incluem tubos de aço inoxidável, acessórios de tubos, flanges, válvulas etc., que são amplamente utilizados em petróleo, indústria química, indústria nuclear, fundição, construção naval, produtos farmacêuticos, alimentos, conservação de água, energia elétrica, energia nova, equipamentos mecânicos e outros campos. A empresa segue o princípio corporativo de "Qualidade para a sobrevivência, a reputação de desenvolvimento" e atende de todo o coração a todos os clientes para criar uma situação em que todos saem ganhando.





Densidade de massa do aço macio: princípios básicos e importância prática A densidade de massa do aço-carbono é uma propriedade fundamental que afeta diretamente a forma como os engenheiros e pr...
Veja maisIntrodução ao material de aço de baixa liga O material de aço de baixa liga é um tipo de aço que contém uma pequena porcentagem de elementos de liga, normalmente menos de 8%, além de carbono. Es...
Veja maisVisão geral — o que significa “peso por polegada cúbica” para aço inoxidável "Peso por polegada cúbica" é simplesmente a massa (em libras) de uma polegada cúbica de material. Para o aço inoxidáv...
Veja maisNunca compartilharemos seu endereço de e -mail e você
Pode optar por não participar a qualquer momento, prometemos.