





A união de aço inoxidável é um tipo de junta de transição comumente usada na conversão de tubos, usada para conectar e desconectar as conexões do tubo de dois tubos ou sistemas de tubulação. Composto por duas partes, esse método de conexão do tipo loop pode ser de maneira rápida e facilmente desmontada, o que é benéfico para a manutenção, reparo e outras operações da tubulação.
Os sindicatos forjados são construídos com aço inoxidável para garantir a integridade estrutural em aplicações de alta pressão e fornecer confiabilidade e durabilidade, é adequado para vários ambientes e condições de trabalho e adequado para as necessidades de conexão do tubo.
Os sindicatos de aço inoxidável são amplamente utilizados em sistemas de tubulação de baixa pressão. Eles são frequentemente usados em sistemas de pipeline em indústrias químicas, petrolíferas, de processamento de alimentos, farmacêuticas e outras. Eles também são usados para conectar pipelines, válvulas, equipamentos ou outros acessórios, adequados para transmissão média de alta temperatura ou médio especial.
Introdução
| Item | União de aço inoxidável |
| Padrão | 3A, DIN, SMS, IDF, BPE, BS, ISO |
| Material | Aço inoxidável |
| Superfície | CNC usinado |
| Tipo | Investimento fundindo fundição- tecnologia perdida de cera |
| tamanho | 1/8 "-3" |
| Prazo de entrega | Dentro de 5 a 30 dias após receber o pré-pago |
| Embalagem | Encolhimento do estojo de madeira de cartonada |
| Aplicativo | Alimentos, bebidas, química, farmácia, biotecnologia, cosmética e outras indústrias no campo do sistema de tubulação de aço inoxidável |
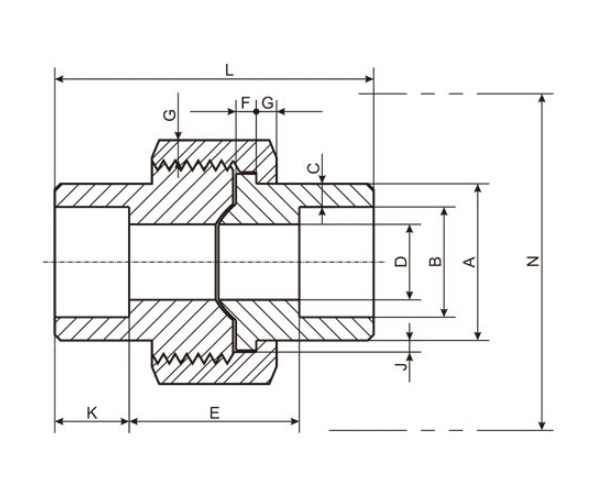
Dimensões em milímetros
| NPS | Tamanho | UM | B | C | D (Max) | D (min) | k | E | F | G | J (min) | L | N |
| 1/8 " | 6 | 14.7 | 9.88 | 2.41 | 8.43 | 6.34 | 9.5 | 22.4 | 3.18 | 3.18 | 1.24 | 41.4 | 50.8 |
| 1/4 " | 8 | 19 | 12.96 | 3.02 | 11.13 | 9.45 | 9.5 | 22.4 | 3.18 | 3.18 | 1.24 | 41.4 | 50.8 |
| 3/8 " | 10 | 22.9 | 16.5 | 3.2 | 14.27 | 13.51 | 9.5 | 27 | 3.43 | 3.43 | 1.37 | 46 | 55.9 |
| 1/2 " | 15 | 27.7 | 20.24 | 3.73 | 17.86 | 17.07 | 9.5 | 30 | 3.68 | 3.68 | 1.5 | 49 | 58.4 |
| 3/4 " | 20 | 33.5 | 25.68 | 3.91 | 23.01 | 21.39 | 12.5 | 31.9 | 4.06 | 4.06 | 1.68 | 56.9 | 66 |
| 1 " | 25 | 41.4 | 32.3 | 4.55 | 28.98 | 27.74 | 12.5 | 37 | 4.57 | 4.45 | 1.85 | 62 | 78.7 |
| 1 1/4 " | 32 | 50.5 | 40.8 | 4.85 | 37.69 | 35.36 | 12.5 | 46.1 | 5.33 | 5.21 | 2.13 | 71.1 | 94 |
| 1 1/2 " | 40 | 57.2 | 47.04 | 5.08 | 43.54 | 41.2 | 12.5 | 51.5 | 5.84 | 5.59 | 2.31 | 76.5 | 111.8 |
| 2 " | 50 | 70.1 | 59.02 | 5.54 | 55.58 | 52.12 | 16 | 54.1 | 6.60 | 6.35 | 2.69 | 86.1 | 132.1 |
| 2 1/2 " | 65 | 85.3 | 71.28 | 7.01 | 66.27 | 64.31 | 16 | 70.4 | 7.49 | 7.11 | 3.07 | 102.4 | 149.9 |
| 3 " | 80 | 102.4 | 887.16 | 7.62 | 88.25 | 77.27 | 16 | 77 | 8.26 | 8.00 | 3.53 | 109 | 175.3 |
Fundada em 2007 e mudou -se para a Zona de Desenvolvimento Econômico de Longy, a província de Zhejiang, em 2022. Ele cobre uma área de 130.000 metros quadrados, mais de 30 linhas de produção, 300 trabalhadores, 20 pessoas de P&D, 30 pessoas de inspeção e uma produção anual de 50.000 toneladas.
It has passed ISO9001:2008 quality management system, PED 97/23/EC EU Pressure Equipment Directive certification, China Special Equipment Manufacturing License (Pressure Tube) TS certification, ASME certification, provincial enterprise standardization management system, ISO14000:2004 environment management system, cleaner production (green enterprise), and a series of certifications, as well as China Classification Society (CCS), American Bureau of Shipping (ABS), British Register de remessa (LR), Deutsche Veritas (GL), Bureau Veritas Society (BV), Det Norske Veritas (DNV) e Certificação de fábrica de remessas coreanas (KR).
Os principais produtos incluem tubos de aço inoxidável, acessórios de tubos, flanges, válvulas etc., que são amplamente utilizados em petróleo, indústria química, indústria nuclear, fundição, construção naval, produtos farmacêuticos, alimentos, conservação de água, energia elétrica, energia nova, equipamentos mecânicos e outros campos. A empresa segue o princípio corporativo de "Qualidade para a sobrevivência, a reputação de desenvolvimento" e atende de todo o coração a todos os clientes para criar uma situação em que todos saem ganhando.





Densidade de massa do aço macio: princípios básicos e importância prática A densidade de massa do aço-carbono é uma propriedade fundamental que afeta diretamente a forma como os engenheiros e pr...
Veja maisIntrodução ao material de aço de baixa liga O material de aço de baixa liga é um tipo de aço que contém uma pequena porcentagem de elementos de liga, normalmente menos de 8%, além de carbono. Es...
Veja maisVisão geral — o que significa “peso por polegada cúbica” para aço inoxidável "Peso por polegada cúbica" é simplesmente a massa (em libras) de uma polegada cúbica de material. Para o aço inoxidáv...
Veja maisNunca compartilharemos seu endereço de e -mail e você
Pode optar por não participar a qualquer momento, prometemos.