






Os acoplamentos rosqueados têm um canal reto e uma conexão de rosca interna. Eles são adequados para sistemas de tubulação em muitos setores, usados para estender tubos, conectar tubos ou conectar -se a outros acessórios, através do canal reto da junta de fio interno, para que o fluido possa passar pela junta sem problemas.
Eles podem ser fabricados com muitos tipos de aço, como carbono, galvanizado, inoxidável ou preto. Como o aço inoxidável possui excelente resistência à corrosão e resistência de alta temperatura e é adequado para o transporte e controle de uma variedade de mídia, é considerado o melhor material e é amplamente utilizado.
Ao contrário de outros conectores de ajuste de tubo, é altamente flexível e ajustável. Os acoplamentos de rosca de aço inoxidável geralmente têm roscas e são usados para acasalar com a parte rosqueada do tubo ou tubo para obter fixação e conexão.
Os acoplamentos rosqueados em aço inoxidável são dimensionados com base em necessidades e aplicações específicos. As especificações comuns incluem grau de material, tipo de linha, tamanho da linha, diâmetro do tubo, comprimento e tratamento de superfície, etc. De acordo com o projeto e os requisitos do sistema de tubulação, selecione o tamanho apropriado para obter um efeito de conexão apertado e estável.
Introdução
| Item | Acoplamentos rosqueados de aço inoxidável |
| Padrão | ANSI B16.11, MSS SP 97, MSS SP 95, MSS SP 83, BS3799, ASTM A733, etc. |
| Material | SS201, SS304/CF8, SS316/CF8M e assim por diante |
| Superfície | CNC usinada com óleo anti-rust, escovado |
| Tipo | Elenco |
| tamanho | DN6-100 |
| Prazo de entrega | Dentro de 5 a 30 dias após receber o pré-pago |
| Embalagem | Paletes/casos de madeira compensada |
| Aplicativo | A indústria petroquímica; Indústria de aviação e aeroespacial; indústria farmacêutica, escape de gás; usina; construção de navios; Tratamento de água, etc. |
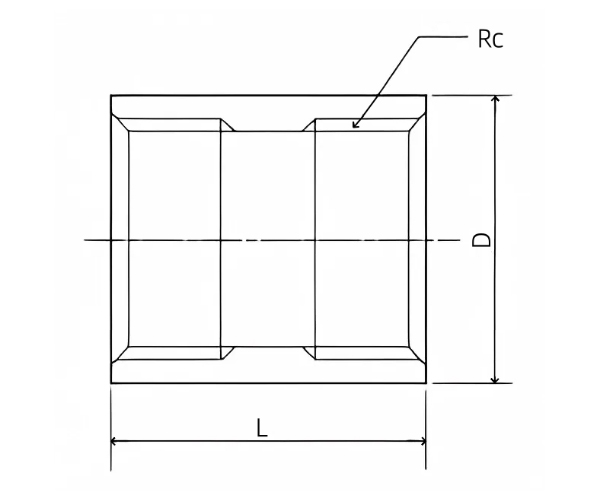
| Tamanho | Fio | Tamanho (mm) | ||
| A (mm) | B (in) | Rc | D | L |
| 6 | 1/8 | RC 1/8 | 15 | 23 |
| 8 | 1/4 | RC 1/4 | 19 | 29 |
| 10 | 3/8 | RC 3/8 | 22 | 30 |
| 15 | 1/2 | RC 1/2 | 27 | 36.5 |
| 20 | 3/4 | RC 3/4 | 33 | 38.5 |
| 25 | 1 | RC 1 | 40 | 43.5 |
| 32 | 1 1/4 | RC 1 1/4 | 49 | 49.5 |
| 40 | 1 1/2 | RC 1 1/2 | 55.5 | 52.5 |
| 50 | 2 | RC 2 | 68 | 62.5 |
| 65 | 2 1/2 | RC 2 1/2 | 83 | 73 |
| 80 | 3 | RC 3 | 97 | 81 |
| 100 | 4 | RC 4 | 125 | 93 |
Fundada em 2007 e mudou -se para a Zona de Desenvolvimento Econômico de Longy, a província de Zhejiang, em 2022. Ele cobre uma área de 130.000 metros quadrados, mais de 30 linhas de produção, 300 trabalhadores, 20 pessoas de P&D, 30 pessoas de inspeção e uma produção anual de 50.000 toneladas.
It has passed ISO9001:2008 quality management system, PED 97/23/EC EU Pressure Equipment Directive certification, China Special Equipment Manufacturing License (Pressure Tube) TS certification, ASME certification, provincial enterprise standardization management system, ISO14000:2004 environment management system, cleaner production (green enterprise), and a series of certifications, as well as China Classification Society (CCS), American Bureau of Shipping (ABS), British Register de remessa (LR), Deutsche Veritas (GL), Bureau Veritas Society (BV), Det Norske Veritas (DNV) e Certificação de fábrica de remessas coreanas (KR).
Os principais produtos incluem tubos de aço inoxidável, acessórios de tubos, flanges, válvulas etc., que são amplamente utilizados em petróleo, indústria química, indústria nuclear, fundição, construção naval, produtos farmacêuticos, alimentos, conservação de água, energia elétrica, energia nova, equipamentos mecânicos e outros campos. A empresa segue o princípio corporativo de "Qualidade para a sobrevivência, a reputação de desenvolvimento" e atende de todo o coração a todos os clientes para criar uma situação em que todos saem ganhando.





Densidade de massa do aço macio: princípios básicos e importância prática A densidade de massa do aço-carbono é uma propriedade fundamental que afeta diretamente a forma como os engenheiros e pr...
Veja maisIntrodução ao material de aço de baixa liga O material de aço de baixa liga é um tipo de aço que contém uma pequena porcentagem de elementos de liga, normalmente menos de 8%, além de carbono. Es...
Veja maisVisão geral — o que significa “peso por polegada cúbica” para aço inoxidável "Peso por polegada cúbica" é simplesmente a massa (em libras) de uma polegada cúbica de material. Para o aço inoxidáv...
Veja maisNunca compartilharemos seu endereço de e -mail e você
Pode optar por não participar a qualquer momento, prometemos.