





O flange de pescoço de solda longa é um componente especializado em sistemas de tubulação, distinguidos por seu pescoço ou cubo estendido. Os flanges soldados do pescoço têm um cubo comprido longo que reduz seu tamanho do tubo para o acessório. Esse design minimiza a concentração de tensão, tornando-o ideal para aplicações de alta pressão e alta temperatura. O pescoço estendido reforça o flange, promovendo a distribuição de estresse uniforme e reduzindo o risco de fadiga. Além disso, os sistemas de tubulação são mais seguros quando reforçados com flanges de pescoço longo. Esse tipo de flange ajuda a equilibrar as mudanças de pressão e temperatura no líquido que está fluindo na tubulação.
Os flanges de pescoço de solda longos são favorecidos em ambientes industriais críticos devido à sua integridade estrutural aprimorada. Notavelmente, o pescoço estendido facilita os processos fáceis de soldagem e inspeção. O amplo espaço para soldagem garante uma conexão segura, enquanto o comprimento estendido simplifica as inspeções, fornecendo melhor visibilidade e acesso.
Os flanges de pescoço de solda longos são predominantes em indústrias petroquímicas, de petróleo e gás e geração de energia, contribuindo para sistemas de tubulação robustos e confiáveis. Seu design garante durabilidade e segurança, tornando -as uma escolha preferida para aplicações onde o desempenho é fundamental.
Introdução
| Padrão | ANSI B16.5, ANSI B16.47, ANSI B16.36, ANSI B16.48, BS 4504, EN1092, UNI 2277/2278, DIN, JIS, SABS1123, GOST-12820, etc. |
| Material | Aço inoxidável: A182 F304, A182F304L, A182 F316, A182 F316L, A182F321, A182 317H, A182316TI, F53, F51 etc. Aço Carbono: A105, A350LF2 Aço de liga: A182 F11, A182F22, A182F12, A182 F5, A182F91, A182 F9 etc |
| Superfície | Tratamento Anti-Rust Taint, óleo preto, transparente amarelo, banhado a zinco, frio e quente galvanizado |
| Tipo | Forjamento, usinagem CNC |
| tamanho | 1/2 "-24" |
| Prazo de entrega | Dentro de 5 a 30 dias após receber o pré-pago |
| Embalagem | Tratamento Anti-Rust Taint, óleo preto, transparente amarelo, banhado a zinco, frio e quente galvanizado |
| Aplicativo | Química, moinhos de petróleo, petroquímica, mineração, refinarias, construção, fertilizantes, construção naval, usinas de energia, usinas de aço, energia nuclear, offshore, petróleo e gás, defesa, papel, cervejarias, ferrovias, cimento e engenharia, etc. . |
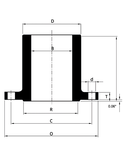
| NPS | Furo | OD | Thk | OD | Não. De buracos | Tamanho do orifício | Círculo de parafuso | FACA REVISTA DIA. | COMPRIMENTO | PESO |
| (em) | B (em) | O (em) | Estanho) | D (em) | (Buracos) | d (em) | C (em) | R (em) | L (in) | (QUILO)- |
| ½ | 0.50 | 3.50 | 0.44 | 1.25 | 4 | 0.62 | 2.38 | 1.38 | 9.00 | 1.36 |
| ¾ | 0.75 | 3.88 | 0.50 | 1.62 | 4 | 0.62 | 2.75 | 1.69 | 9.00 | 2.27 |
| 1 | 1.00 | 4.25 | 0.56 | 2.00 | 4 | 0.62 | 3.12 | 2.00 | 9.00 | 3.17 |
| 1 ¼ | 1.25 | 4.26 | 0.62 | 2.38 | 4 | 0.62 | 3.50 | 2.50 | 9.00 | 4.54 |
| 1 ½ | 1.50 | 5.00 | 0.69 | 2.62 | 4 | 0.62 | 3.88 | 2.88 | 9.00 | 5.44 |
| 2 | 2.00 | 6.00 | 0.75 | 3.25 | 4 | 0.75 | 4.75 | 3.63 | 9.00 | 6.81 |
| 2 ½ | 2.50 | 7.00 | 0.88 | 3.75 | 4 | 0.75 | 5.50 | 4.13 | 9.00 | 9.98 |
| 3 | 3.00 | 7.50 | 0.94 | 4.25 | 4 | 0.75 | 6.00 | 5.00 | 9.00 | 11.35 |
| 3 ½ | 3.50 | 8.50 | 0.94 | 4.88 | 8 | 0.75 | 7.00 | 5.50 | 9.00 | 14.52 |
| 4 | 4.00 | 9.00 | 0.94 | 5.50 | 8 | 0.75 | 7.50 | 6.19 | 12.00 | 21.33 |
| 5 | 5.00 | 10.00 | 0.94 | 6.50 | 8 | 0.88 | 8.50 | 7.31 | 12.00 | 25.87 |
| 6 | 6.00 | 11.00 | 1.00 | 7.75 | 8 | 0.88 | 9.50 | 8.50 | 12.00 | 34.05 |
| 8 | 8.00 | 13.50 | 1.12 | 9.75 | 8 | 0.88 | 11.75 | 1063 | 12.00 | 46.30 |
| 10 | 10.00 | 16.00 | 1.19 | 12.00 | 12 | 1.00 | 14.25 | 12.75 | 12.00 | 64.92 |
| 12 | 12.00 | 19.00 | 1.25 | 14.38 | 12 | 1.00 | 17.00 | 15.00 | 12.00 | 93.07 |
| 14 | 14.00 | 31.00 | 1.38 | 16.00 | 12 | 1.12 | 18.75 | 16.25 | 12.00 | 95.79 |
| 16 | 16.00 | 23.50 | 1.44 | 18.00 | 16 | 1.12 | 21.25 | 18.50 | 12.00 | 111.68 |
| 18 | 18.00 | 25.00 | 1.56 | 20.00 | 16 | 1.25 | 22.75 | 21.00 | 12.00 | 122.58 |
| 20 | 20.00 | 25.50 | 1.69 | 22.00 | 20 | 1.25 | 25.00 | 23.00 | 12.00 | 141.19 |
| 24 | 24.00 | 32.00 | 1.88 | 26.25 | 20 | 1.38 | 29.50 | 27.25 | 112.00 | 192.04 |
Classe 300
| NPS | Furo | OD | Thk | OD | Não. De buracos | Tamanho do orifício | Círculo de parafuso | FACA REVISTA DIA. | COMPRIMENTO | PESO |
| (in) | B (in) | O (in) | Estanho) | D (in) | (Buracos) | d (in) | C (in) | R (in) | L (in) | (QUILO)- |
| ½ | 0.50 | 3.75 | 0.56 | 1.50 | 4 | 0.62 | 26.2 | 1.38 | 9.00 | 2.27 |
| ¾ | 0.75 | 4.62 | 0.62 | 1.88 | 4 | 0.75 | 3.25 | 1.69 | 9.00 | 4.08 |
| 1 | 1.00 | 4.88 | 0.69 | 2.12 | 4 | 0.75 | 3.50 | 2.00 | 9.00 | 4.08 |
| 1 ¼ | 1.25 | 5.25 | 0.75 | 2.50 | 4 | 0.75 | 3.88 | 2.50 | 9.00 | 5.90 |
| 1 ½ | 1.50 | 6.12 | 0.81 | 2.75 | 4 | 0.88 | 4.50 | 2.88 | 9.00 | 6.81 |
| 2 | 2.00 | 6.50 | 0.88 | 3.31 | 8 | 0.75 | 5.00 | 3.63 | 9.00 | 9.08 |
| 2 ½ | 2.50 | 7.50 | 1.00 | 3.94 | 8 | 0.88 | 5.88 | 4.13 | 9.00 | 11.35 |
| 3 | 3.00 | 8.25 | 1.12 | 4.62 | 8 | 0.88 | 6.62 | 5.00 | 9.00 | 15.89 |
| 3 ½ | 3.50 | 9.00 | 1.19 | 5.25 | 8 | 0.88 | 7.25 | 5.50 | 9.00 | 19.06 |
| 4 | 4.00 | 10.00 | 1.25 | 5.75 | 8 | 0.88 | 7.88 | 6.19 | 12.00 | 28.14 |
| 5 | 5.00 | 11.00 | 1.38 | 7.00 | 8 | 0.88 | 9.25 | 7.31 | 12.00 | 38.14 |
| 6 | 6.00 | 12.50 | 1.44 | 8.12 | 12 | 0.88 | 10.62 | 8.50 | 12.00 | 47367 |
| 8 | 8.00 | 15.00 | 1.62 | 10.25 | 12 | 1.00 | 13.00 | 10.63 | 12.00 | 67.19 |
| 10 | 10.00 | 17.50 | 1.88 | 12.62 | 16 | 1.12 | 15.25 | 12.57 | 12.00 | 95.34 |
| 12 | 12.00 | 20.50 | 2.00 | 14.75 | 16 | 1.25 | 17.75 | 15.00 | 12.00 | 124.85 |
| 14 | 14.00 | 23.00 | 2.12 | 16.75 | 20 | 1.25 | 20.25 | 16.25 | 12.00 | 147.09 |
| 16 | 16.00 | 25.50 | 2.25 | 19.00 | 20 | 1.38 | 22.50 | 18.50 | 12.00 | 173.41 |
| 18 | 18.00 | 28.00 | 2.38 | 21.00 | 24 | 1.38 | 24.75 | 21.00 | 12.00 | 211.11 |
| 20 | 20.00 | 30.50 | 2.50 | 23.12 | 24 | 1.38 | 27.00 | 23.00 | 12.00 | 249.16 |
| 24 | 24.00 | 36.00 | 2.75 | 27.62 | 24 | 1.62 | 32.00 | 27.25 | 12.00 | 353.21 |
Classe 400
| NPS | Furo | OD | Thk | OD | Não. De buracos | Tamanho do orifício | Círculo de parafuso | FACA REVISTA DIA. | COMPRIMENTO | PESO |
| (in) | B (in) | O (in) | Estanho) | D (in) | (Buracos) | d (in) | C (in) | R (in) | L (in) | (QUILO)- |
| ½ | 0.50 | 3.75 | 0.56 | 1.50 | 4 | 0.62 | 26.20 | 1.38 | 9.00 | 2.27 |
| ¾ | 0.75 | 4.62 | 0.62 | 1.88 | 4 | 0.75 | 3.25 | 1.69 | 9.00 | 3.63 |
| 1 | 1.00 | 4.88 | 0.69 | 2.12 | 4 | 0.75 | 3.50 | 2.00 | 9.00 | 4.08 |
| 1 ¼ | 1.25 | 5.25 | 0.81 | 2.50 | 4 | 0.75 | 3.88 | 2.50 | 9.00 | 5.09 |
| 1 ½ | 1.50 | 6.12 | 0.88 | 2.75 | 4 | 0.88 | 4.50 | 2.88 | 9.00 | 7.266.50 |
| 2 | 2.00 | 6.50 | 1.00 | 3.31 | 8 | 0.75 | 5.00 | 3.63 | 9.00 | 9.08 |
| 2 ½ | 2.50 | 7.50 | 1.12 | 3.94 | 8 | 0.88 | 5.88 | 4.13 | 9.00 | 12.25 |
| 3 | 3.00 | 8.25 | 1.25 | 4.62 | 8 | 0.88 | 6.62 | 5.00 | 9.00 | 16.34 |
| 3 ½ | 3.50 | 9.00 | 1.38 | 5.25 | 8 | 1.00 | 7.25 | 5.50 | 9.00 | 20.04 |
| 4 | 4.00 | 10.00 | 1.38 | 5.75 | 8 | 1.00 | 7.88 | 6.19 | 12.00 | 29.51 |
| 5 | 5.00 | 11.00 | 1.50 | 7.00 | 8 | 1.00 | 9.25 | 7.31 | 12.00 | 39.95 |
| 6 | 6.00 | 12.50 | 1.62 | 8.12 | 12 | 1.00 | 10.62 | 8.50 | 12.00 | 49.94 |
| 8 | 8.00 | 15.00 | 1.88 | 10.25 | 12 | 1.12 | 13.00 | 10.63 | 12.00 | 69.91 |
| 10 | 10.00 | 17.50 | 2.12 | 12.62 | 16 | 1.25 | 15.25 | 12.75 | 12.00 | 98.97 |
| 12 | 12.00 | 20.50 | 2.25 | 14.75 | 16 | 1.38 | 17.75 | 15.00 | 12.00 | 129.39 |
| 14 | 14.00 | 23.00 | 2.38 | 16.75 | 20 | 1.38 | 20.25 | 16.25 | 12.00 | 152.54 |
| 16 | 16.00 | 25.50 | 2.50 | 19.00 | 20 | 1.50 | 22.50 | 18.50 | 12.00 | 189.77 |
| 18 | 18.00 | 28.00 | 2.62 | 21.00 | 24 | 1.50 | 24.75 | 21.00 | 12.00 | 218.82 |
| 20 | 20.00 | 30.50 | 2.75 | 23.12 | 24 | 1.62 | 27.00 | 23.00 | 12.00 | 257.87 |
| 24 | 24.00 | 36.00 | 3.0 | 27.62 | 24 | 1.88 | 32.00 | 27.25 | 12.00 | 365.01 |
Classe 600
| NPS | Furo | OD | Thk | OD | Não. De buracos | Tamanho do orifício | Círculo de parafuso | FACA REVISTA DIA. | COMPRIMENTO | PESO |
| (in) | B (in) | O (in) | Estanho) | D (in) | (Buracos) | d (in) | C (in) | R (in) | L (in) | (QUILO)- |
| ½ | 0.50 | 3.75 | 0.56 | 1.50 | 4 | 0.62 | 2.62 | 1.38 | 9.00 | 2.27 |
| ¾ | 0.75 | 4.62 | 0.62 | 1.88 | 4 | 0.75 | 3.25 | 1.69 | 9.00 | 3.63 |
| 1 | 1.00 | 4.88 | 0.69 | 2.12 | 4 | 0.75 | 3.50 | 2.00 | 9.00 | 4.08 |
| 1 ¼ | 1.25 | 5.25 | 0.81 | 2.50 | 4 | 0.75 | 3.88 | 2.50 | 9.00 | 5.09 |
| 1 ½ | 1.50 | 6.12 | 0.88 | 2.75 | 4 | 0.88 | 4.50 | 2.88 | 9.00 | 7.26 |
| 2 | 2.00 | 6.50 | 1.00 | 3.31 | 8 | 0.75 | 5.00 | 3.63 | 9.00 | 9.08 |
| 2 ½ | 2.50 | 7.50 | 1.12 | 3.94 | 8 | 0.88 | 5.88 | 4.13 | 9.00 | 12.25 |
| 3 | 3.00 | 8.25 | 1.25 | 4.62 | 8 | 0.88 | 6.62 | 5.00 | 9.00 | 16.34 |
| 4 | 4.00 | 10.75 | 1.50 | 6.00 | 8 | 1.00 | 8.50 | 6.19 | 12.00 | 34.95 |
| 5 | 5.00 | 13.00 | 1.75 | 7.50 | 8 | 1.12 | 10.50 | 7.31 | 12.00 | 55.84 |
| 6 | 6.00 | 14.00 | 1.88 | 8.75 | 12 | 0.88 | 11.50 | 9.50 | 12.00 | 69.08 |
| 8 | 8.00 | 16.50 | 2.19 | 10.75 | 12 | 1.25 | 13.75 | 10.63 | 12.00 | 93.97 |
| 10 | 10.00 | 20.00 | 2.50 | 13.50 | 16 | 1.38 | 17.00 | 12.75 | 12.00 | 147.09 |
| 12 | 12.00 | 22.00 | 2.62 | 15.75 | 20 | 1.38 | 19.25 | 15.00 | 12.00 | 178.42 |
| 14 | 14.00 | 23.75 | 2.75 | 17.00 | 20 | 1.50 | 20.75 | 16.25 | 16.00 | 213.83 |
| 16 | 16.00 | 27.00 | 3.00 | 19.50 | 20 | 1.62 | 23.75 | 18.50 | 16.00 | 289.65 |
| 18 | 18.00 | 29.25 | 3.25 | 21.50 | 20 | 1.75 | 25.75 | 21.00 | 16.00 | 331.42 |
| 20 | 20.00 | 32.00 | 3.50 | 24.00 | 24 | 1.75 | 28.50 | 23.00 | 16.00 | 415.86 |
| 24 | 24.00 | 37.00 | 4.00 | 28.25 | 24 | 2.00 | 33.00 | 27.25 | 16.00 | 549.34 |
Classe 900
| NPS | Furo | OD | Thk | OD | Não. De buracos | Tamanho do orifício | Círculo de parafuso | FACA REVISTA DIA. | COMPRIMENTO | PESO |
| (in) | B (in) | O (in) | Estanho) | D (in) | (Buracos) | d (in) | C (in) | R (in) | L (in) | (QUILO)- |
| ½ | 0.50 | 4.75 | 0.88 | 1.56 | 4 | 0.88 | 3.25 | 1.38 | 9.00 | 3.63 |
| ¾ | 0.75 | 5.12 | 1.00 | 1.81 | 4 | 0.88 | 3.50 | 1.69 | 9.00 | 4.54 |
| 1 | 1.00 | 5.88 | 1.12 | 2.12 | 4 | 1.00 | 4.00 | 2.00 | 9.00 | 5.09 |
| 1 ¼ | 1.25 | 6.25 | 1.112 | 2.50 | 4 | 1.00 | 4.38 | 2.50 | 9.00 | 7.71 |
| 1 ½ | 1.50 | 7.00 | 1.25 | 2.75 | 4 | 1.12 | 4.88 | 2.88 | 9.00 | 9.53 |
| 2 | 2.00 | 8.50 | 1.50 | 4.12 | 8 | 1.00 | 6.50 | 3.63 | 9.00 | 19.06 |
| 2 ½ | 2.50 | 9.62 | 1.62 | 4.88 | 8 | 1.12 | 7.50 | 4.13 | 9.00 | 23.15 |
| 3 | 3.00 | 9.50 | 1.50 | 5.00 | 8 | 1.00 | 7.50 | 5.00 | 9.00 | 25.42 |
| 4 | 4.00 | 11.50 | 1.75 | 6.25 | 8 | 1.25 | 9.25 | 6.19 | 12.00 | 42.22 |
| 5 | 5.00 | 13.75 | 2.00 | 7.50 | 8 | 1.38 | 11.00 | 7.31 | 12.00 | 61.29 |
| 6 | 6.00 | 15.00 | 2.19 | 9.25 | 12 | 1.25 | 12.50 | 8.50 | 12.00 | 86.71 |
| 8 | 8.00 | 18.50 | 2.50 | 11.75 | 12 | 1.50 | 15.50 | 10.63 | 12.00 | 134.83 |
| 10 | 10.00 | 21.50 | 2.75 | 14.50 | 16 | 1.50 | 18.50 | 12.75 | 12.00 | 191.58 |
| 12 | 12.00 | 24.00 | 3.12 | 16.50 | 20 | 1.50 | 21.00 | 15.00 | 12.00 | 235.17 |
| 14 | 14.00 | 25.25 | 3.38 | 17.75 | 20 | 1.62 | 22.00 | 16.25 | 16.00 | 283.29 |
| 16 | 16.00 | 27.75 | 3.50 | 20.00 | 20 | 1.75 | 24.25 | 18.50 | 16.00 | 340.50 |
| 18 | 18.00 | 31.00 | 4.00 | 22.25 | 20 | 2.00 | 27.00 | 21.00 | 16.00 | 413.30 |
| 20 | 20.00 | 33.75 | 4.25 | 24.50 | 20 | 2.12 | 29.50 | 23.00 | 16.00 | 508.93 |
| 24 | 24.00 | 41.00 | 5.50 | 29.50 | 20 | 2.621 | 35.50 | 27.25 | 16.00 | 846.71 |
Classe 1500
| NPS | Furo | OD | Thk | OD | Não. De buracos | Tamanho do orifício | Círculo de parafuso | FACA REVISTA DIA. | COMPRIMENTO | PESO |
| (in) | B (in) | O (in) | Estanho) | D (in) | (Buracos) | d (in) | C (in) | R (in) | L (in) | (QUILO)- |
| ½ | 0.50 | 4.75 | 0.88 | 1.56 | 4 | 0.88 | 3.25 | 1.38 | 9.00 | 3.63 |
| ¾ | 0.75 | 5.12 | 1.00 | 1.81 | 4 | 0.88 | 3.50 | 1.69 | 9.00 | 4.54 |
| 1 | 1.00 | 5.88 | 1.12 | 2.12 | 4 | 1.00 | 4.00 | 2.00 | 9.00 | 5.09 |
| 1 ¼ | 1.25 | 6.25 | 1.12 | 2.50 | 4 | 1.00 | 4.38 | 2.50 | 9.00 | 7.71 |
| 1 ½ | 1.50 | 7.00 | 1.25 | 2.75 | 4 | 1.12 | 4.88 | 2.88 | 9.00 | 9.53 |
| 2 | 2.00 | 9.50 | 1.50 | 4.12 | 8 | 1.00 | 6.50 | 3.63 | 9.00 | 19.06 |
| 2 ½ | 2.50 | 9.62 | 1.62 | 4.88 | 8 | 1.12 | 7.50 | 4.13 | 9.00 | 25.42 |
| 3 | 3.00 | 10.50 | 1.88 | 5.25 | 8 | 1.25 | 8.00 | 5.00 | 9.00 | 30.41 |
| 4 | 4.00 | 12.25 | 2.12 | 6.38 | 8 | 1.38 | 9.50 | 6.19 | 12.00 | 49.94 |
| 5 | 5.00 | 14.75 | 2.88 | 7.75 | 8 | 1.62 | 11.50 | 7.31 | 12.00 | 82.17 |
| 6 | 6.00 | 15.50 | 3.25 | 9.00 | 12 | 1.50 | 12.50 | 8.50 | 12.00 | 97.61 |
| 8 | 8.00 | 19.00 | 3.62 | 11.50 | 12 | 1.75 | 15.50 | 10.63 | 12.00 | 152.99 |
| 10 | 10.00 | 23.00 | 4.25 | 14.50 | 12 | 2.00 | 19.00 | 12.75 | 12.00 | 247.88 |
| 12 | 12.00 | 26.50 | 4.88 | 17.75 | 16 | 2.12 | 22.50 | 15.00 | 12.00 | 429.48 |
| 14 | 14.00 | 29.50 | 5.25 | 19.50 | 16 | 2.38 | 25.00 | 16.25 | 16.00 | 506.66 |
| 16 | 16.00 | 32.50 | 5.75 | 21.75 | 16 | 2.62 | 27.75 | 18.50 | 16.00 | 622.43 |
| 18 | 18.00 | 36.00 | 6.38 | 23.50 | 16 | 2.88 | 30.50 | 21.00 | 16.00 | 759.99 |
| 20 | 20.00 | 38.75 | 7.00 | 25.25 | 16 | 3.12 | 32.75 | 23.00 | 16.00 | 882.12 |
| 24 | 24.00 | 46.00 | 8.00 | 30.00 | 16 | 3.62 | 39.00 | 27.25 | 16.00 | 1332.94 |
Classe 2500
| NPS | Furo | OD | Thk | OD | Não. De buracos | Tamanho do orifício | Círculo de parafuso | FACA REVISTA DIA. | COMPRIMENTO | PESO |
| (in) | B (in) | O (in) | Estanho) | D (in) | (Buracos) | d (in) | C (in) | R (in) | L (in) | (QUILO)- |
| ½ | 0.50 | 5.25 | 1.19 | 1.81 | 4 | 0.88 | 3.50 | 1.38 | 9.00 | 4.99 |
| ¾ | 0.75 | 5.50 | 1.25 | 2.06 | 4 | 0.88 | 3.75 | 1.69 | 9.00 | 5.90 |
| 1 | 1.00 | 6.25 | 1.38 | 2.25 | 4 | 1.00 | 4.25 | 2.00 | 9.00 | 8.17 |
| 1 ¼ | 1.25 | 7.25 | 1.50 | 2.88 | 4 | 1.12 | 5.12 | 2.50 | 9.00 | 12.25 |
| 1 ½ | 1.50 | 8.00 | 1.75 | 3.12 | 4 | 1.25 | 5.75 | 2.88 | 9.00 | 14.98 |
| 2 | 2.00 | 9.25 | 2.00 | 3.75 | 8 | 1.12 | 6.75 | 3.63 | 9.00 | 21.72 |
| 2 ½ | 2.50 | 10.50 | 2.25 | 4.50 | 8 | 1.25 | 7.75 | 4.13 | 9.00 | 29.96 |
| 3 | 3.00 | 12.00 | 2.62 | 5.25 | 8 | 1.38 | 9.00 | 5.00 | 9.00 | 44.03 |
| 4 | 4.00 | 14.00 | 3.00 | 6.50 | 8 | 1.62 | 10.75 | 6.19 | 12.00 | 72.18 |
| 5 | 5.00 | 16.50 | 3.62 | 8.00 | 8 | 1.88 | 12.75 | 7.31 | 12.00 | 112.59 |
| 6 | 6.00 | 19.00 | 4.25 | 9.25 | 8 | 2.12 | 14.50 | 8.50 | 12.00 | 162.53 |
| 8 | 8.00 | 21.75 | 5.00 | 12.00 | 12 | 2.12 | 17.25 | 10.63 | 16.00 | 267.40 |
| 10 | 10.00 | 26.50 | 6.50 | 14.75 | 12 | 2.62 | 21.25 | 12.75 | 16.00 | 452.63 |
| 12 | 12.00 | 30.00 | 7.25 | 17.38 | 12 | 2.88 | 24.38 | 15.00 | 16.00 | 618.80 |
Fundada em 2007 e mudou -se para a Zona de Desenvolvimento Econômico de Longy, a província de Zhejiang, em 2022. Ele cobre uma área de 130.000 metros quadrados, mais de 30 linhas de produção, 300 trabalhadores, 20 pessoas de P&D, 30 pessoas de inspeção e uma produção anual de 50.000 toneladas.
It has passed ISO9001:2008 quality management system, PED 97/23/EC EU Pressure Equipment Directive certification, China Special Equipment Manufacturing License (Pressure Tube) TS certification, ASME certification, provincial enterprise standardization management system, ISO14000:2004 environment management system, cleaner production (green enterprise), and a series of certifications, as well as China Classification Society (CCS), American Bureau of Shipping (ABS), British Register de remessa (LR), Deutsche Veritas (GL), Bureau Veritas Society (BV), Det Norske Veritas (DNV) e Certificação de fábrica de remessas coreanas (KR).
Os principais produtos incluem tubos de aço inoxidável, acessórios de tubos, flanges, válvulas etc., que são amplamente utilizados em petróleo, indústria química, indústria nuclear, fundição, construção naval, produtos farmacêuticos, alimentos, conservação de água, energia elétrica, energia nova, equipamentos mecânicos e outros campos. A empresa segue o princípio corporativo de "Qualidade para a sobrevivência, a reputação de desenvolvimento" e atende de todo o coração a todos os clientes para criar uma situação em que todos saem ganhando.





Densidade de massa do aço macio: princípios básicos e importância prática A densidade de massa do aço-carbono é uma propriedade fundamental que afeta diretamente a forma como os engenheiros e pr...
Veja maisIntrodução ao material de aço de baixa liga O material de aço de baixa liga é um tipo de aço que contém uma pequena porcentagem de elementos de liga, normalmente menos de 8%, além de carbono. Es...
Veja maisVisão geral — o que significa “peso por polegada cúbica” para aço inoxidável "Peso por polegada cúbica" é simplesmente a massa (em libras) de uma polegada cúbica de material. Para o aço inoxidáv...
Veja maisNunca compartilharemos seu endereço de e -mail e você
Pode optar por não participar a qualquer momento, prometemos.